微信公众号
手机网站
就业/招聘小程序
咨询电话: 010-66083178(工作日8:30-17:30) 请登录 注册
联系我们
联系人:王秀秀
010 -66083178
www.qxwq.org.cn 
北京市西城区广安门
内广义街5号广益大厦
大赛作品详情

作品名称:管道检测机器人
学校名称:山东大学
参赛队伍:浩然队
参赛学生:田雨 董璐 张鹏  
指导老师:姬冰 刘鸣  

详细说明

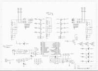
    本项目主要致力于研究设计一种可以有效检测长直管道内部裂纹是否存在的小型管道机器人,该机器人具有体型小、行动灵活的优点,可以在管道内比较自由地进退。该机器人可内置摄像头等装置,用以采集管道内图像信息传输给计算机,以便于检测人员了解管道内部裂纹位置及其形状大小。本项目机器人由控制主板电路连接及其与机械方面的配合,内置小电源提供驱动步进电机带动齿轮传动实现机器人的进退。      

    创新点:

    1、普通轮子平面布置的轮式机器人,轮缘和管道壁面是线接触,所以刚性、稳定性较差,本机器人采用前后对称分布的均匀三向轮架,以及空间多轮结构,轮子的轮平面与壁面垂直接触,为面接触,所以受力对称、稳定性优良;

    2、双端万向节联轴器置入,增加对长直管道潜在弧度的适应性,且通过调节主轴上的调节螺母,使机器人轮架张开程度可调,其可张开或收拢从而适应更大范围的管道内径;

    3、前段架设新结构植入空间,既可架设摄像头即时采集图样信息,亦可架设红外热像仪、探伤探头等结构模块,增加产品适用性空间;    

    4、为适应金属管道与非金属管道的检测,采用有线与无线双通讯的方式在单片机与PC机之间建立信号传输,有线通讯时可电缆供电,增加续航能力,抗干扰能力强,优化图像传输效果,无线通讯时可提高通讯效率


找人才
千校人才小程序
找工作
万企岗位小程序
一键咨询
注册简历
查询
资料下载
返回顶部