微信公众号
手机网站
就业/招聘小程序
咨询电话: 010-66083178(工作日8:30-17:30) 请登录 注册
联系我们
联系人:王秀秀
010 -66083178
www.qxwq.org.cn 
北京市西城区广安门
内广义街5号广益大厦
大赛作品详情

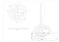
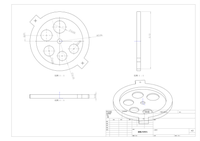
作品名称:小型桌面级硬币清分机
学校名称:德州学院
参赛队伍:逆光飞翔
参赛学生:张艺 王宗利  
指导老师:赵辉宏  

详细说明

       一般的硬币清分机体积较大,造价昂贵。只有像银行、公交公司才配有硬币清分机专门用于清点硬币。由于专门的硬币清分机价格过高,一般普通超市不可能购买硬币清分机来清点大量硬币,只能采用人工清点的方式来清分计数硬币,费时费力,清点效率低下。

为了降低成本,解决普通超市清点大量硬币问题,本实用新型提出一种低成本的小型硬币清分机。该小型硬币清分机区分硬币的原理是根据硬币直径的不同来清分硬币。该小型硬币清分机造价低,结构简单,小巧方便,不仅可以轻松的清分大量硬币,也可以很好的普及市场。

 

找人才
千校人才小程序
找工作
万企岗位小程序
一键咨询
注册简历
查询
资料下载
返回顶部