微信公众号
手机网站
就业/招聘小程序
咨询电话: 010-66083178(工作日8:30-17:30) 请登录 注册
联系我们
联系人:王秀秀
010 -66083178
www.qxwq.org.cn 
北京市西城区广安门
内广义街5号广益大厦
大赛作品详情

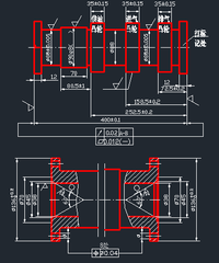
作品名称:模块化凸轮轴单节优化设计
学校名称:大连科技学院
参赛队伍:奋起
参赛学生:张家栋 苏浩栋 刘帅  
指导老师:王亮  

详细说明

随着国民经济不断发展,我国铁路运输持续提速,我国生产的内燃机车柴油机向着大功率,多样化发展。凸轮轴是机车柴油机的关键部件,凸轮型线设计直接影响柴油机工作性能,因而研究凸轮型线设计是发动机制造领域的重要课题之一。

在传统工艺中采用凸轮靠模磨削凸轮的仿形磨削存在凸轮廓线曲线不稳定, 合格率低,凸轮靠模制造周期长,柔性差等问题。随着柴油机向高速、强化、经济和低污染方向不断发展,凸轮曲线越来越复杂,对凸轮轮廓型面曲线的加工精度要求也越来越高,但是这些缺陷使传统的靠模法加工不能满足凸轮轴新产品发展的需要。

找人才
千校人才小程序
找工作
万企岗位小程序
一键咨询
注册简历
查询
资料下载
返回顶部