微信公众号
手机网站
就业/招聘小程序
咨询电话: 010-66083178(工作日8:30-17:30) 请登录 注册
联系我们
联系人:王秀秀
010 -66083178
www.qxwq.org.cn 
北京市西城区广安门
内广义街5号广益大厦
大赛作品详情

作品名称:基于物联网技术的密闭环境防窒息保障系统
学校名称:西京学院
参赛队伍:西安SK.Pro
参赛学生:张学进 林立鸿 王梓西  
指导老师:张婷 徐聪  

详细说明
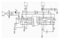
车内防窒息监测报警系统,利用红外线传感器检测车内环境情况,识别车内是否还有人反馈给单片机,单片机对输入的信号进行处理通过I/O口输出的脉冲信号传送给步进电机驱动它按设定的方向转动一定角度;同时,当车内温度超过对应阈值以及检测到车内有人员滞留时,通过蜂鸣器引起路人注意GSM模块给预存联系人发短信,通知其车内遗留儿童或其它人员以实现短信报警远程监控确保车内被困人员在危险情况下能够第一时间得到相应的救助。
找人才
千校人才小程序
找工作
万企岗位小程序
一键咨询
注册简历
查询
资料下载
返回顶部