本装置的目的是为了解决现有轮机大多采用增加空气流动的方式来进行降温,降温效果较差,智能化程度较低,能源消耗较高等缺点,而提出轮机智能化降温装置。
(1)极大程度提高了降温效果;
(2)降低了能源的消耗;
(3)提高智能化程度;
(4)进一步完善设备装置,推进轮机工程设备的发展
本装置的目的是为了解决现有轮机大多采用增加空气流动的方式来进行降温,降温效果较差,智能化程度较低,能源消耗较高等缺点,而提出轮机智能化降温装置。
为实现上述目的,本装置如图:



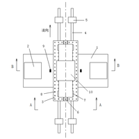
附图说明
图1为本装置的俯视结构示意图。
图2为本装置的向视结构示意图A-A。
图3为本装置的剖视结构示意图B-B。
图4为本装置单个降温台的工作原理图。
图中:1-降温台,2-降温箱,3-蒸发池,4-水管,5-水泵,6-剪叉式支撑机构,7-固定架,8-通孔,9-温度传感器,10-轮机,11-隔网,12-冷凝器,13-扇叶,14-联轴器,15-减速器,16-步进电机,17-控制电路板,18-单片机,19-供电箱。