微信公众号
手机网站
就业/招聘小程序
咨询电话: 010-66083178(工作日8:30-17:00) 请登录 注册
联系我们
联系人:王秀秀
010 -66083178
www.qxwq.org.cn 
北京市西城区广安门
内广义街5号广益大厦
大赛作品详情

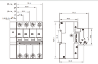
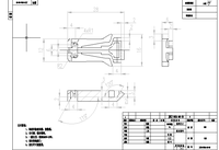
作品名称:智电先锋—新一代电能—环保与用电安全守卫者
学校名称:江西现代职业技术学院
参赛队伍:智电先锋队
参赛学生:李文璨  
指导老师:吕佳惠  

详细说明

智电先锋—新一代电能环保与用电安全守卫者是一种集成了现代电子技术与传统开关设备的创新产品。它能够通过内置的智能控制系统实现对电路的智能监控、远程控制及自动化管理,提高电力系统的安全性和效率。通过四点核心技术来解决市面上出现的难题:1.开发智能物联网断路器,解决电气基础设施落后问题。2.搭建可拖拽式管理物联网云平台,解决运维手段落后问题。3.加装双主蓝牙有线网关实现独立计量,解决电能利用率低问题。4.物联网三部分再升级,解决时效保障难问题。

智电先锋—新一代电能环保与用电安全守卫者广泛应用于智能家居、智慧充电桩、工业自动化、能源管理等领域,成为现代电力系统的重要组成部分。

找人才
千校人才小程序
找工作
万企岗位小程序
一键咨询
注册简历
查询
资料下载
返回顶部