微信公众号
手机网站
就业/招聘小程序
咨询电话: 010-66083178(工作日8:30-17:00) 请登录 注册
联系我们
联系人:王秀秀
010 -66083178
www.qxwq.org.cn 
北京市西城区广安门
内广义街5号广益大厦
大赛作品详情

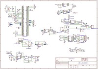
作品名称:基于工业环境的嵌入式阀门调试系统
学校名称:天津仁爱学院
参赛队伍:CX_MAX
参赛学生:赵锋  
指导老师:刘海斌 李晓峰  

详细说明
随着全球制造业的快速发展,特别是在智能制造和产业升级的大趋势下,数字化已成为推动工业进步的关键因素。制造企业正面临着提升产品质量、提高生产效率和降低成本的压力,而数字化技术的融入为这些挑战提供了解决之道。在此背景下,基于STM32单片机的嵌入式仪表阀门调试装置设计应运而生,旨在提供一个高精度、多功能且易于集成的仪器解决方案,以支持智能制造环境中自动化测试的阀门调式校准需求。
在工业自动化领域,此类装置可以通过上位机软件,接收测试参数,并通过串口通信把数据传输给下位机,完成阀门调式装置所需的电流信号,我们设计能够输出精确稳定的4-20mA电流,设置步进为+-1/0.1,输出电流精度为+-0.002mA,该系统用户交互界面操作简便。通过集成的通信接口,它能够轻松地与工控机或计算机连接,实现远程控制和自动化集成,非常适用于智能制造和产业升级背景下的数字化转型。此外,设计中考虑了产品的可扩展性和未来维护升级的便利性,确保其在不断变化的市场环境中具有持久的竞争力。
找人才
千校人才小程序
找工作
万企岗位小程序
一键咨询
注册简历
查询
资料下载
返回顶部