微信公众号
手机网站
就业/招聘小程序
咨询电话: 010-66083178(工作日8:30-17:00) 请登录 注册
联系我们
联系人:王秀秀
010 -66083178
www.qxwq.org.cn 
北京市西城区广安门
内广义街5号广益大厦
大赛作品详情

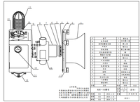
作品名称:地震消防预警器
学校名称:江西新能源科技职业学院
参赛队伍:生生不息
参赛学生:邵赐旺 吴炳诚 胡从静  
指导老师:顾吉仁 温金龙  

详细说明
地震消防预警器是一种集地震预警和消防预警功能于一体的设备。
一、地震预警功能
1. 工作原理
• 利用地震波传播的时间差来实现预警。地震发生时,会产生两种地震波,即纵波(P 波)和横波(S 波)。纵波传播速度快,但破坏力较小;横波传播速度慢,但破坏力较大。地震预警器通过监测纵波,在横波到达之前发出警报,为人们争取宝贵的逃生时间。
• 通常与专业的地震监测网络相连接,接收实时的地震监测数据,并进行快速分析和处理。
2. 预警方式
• 声音警报:发出响亮的警报声,提醒人们地震即将来临。警报声通常具有特定的频率和节奏,以便人们能够迅速识别。
• 灯光闪烁:通过闪烁的灯光来引起人们的注意。灯光可以是红色、黄色或其他醒目的颜色,在黑暗或嘈杂的环境中也能起到很好的警示作用。
二、特点和优势
1. 多功能集成
• 将地震预警和消防预警功能集成在一个设备中,节省了空间和成本,同时提高了预警的效率和可靠性。
2. 实时监测
• 能够实时监测地震和火灾的发生情况,及时发出警报,为人们提供最早的预警信息。
3. 易于安装和使用
• 通常采用壁挂式或桌面式设计,安装方便。操作简单,用户可以轻松掌握使用方法。
三、应用场景
1. 家庭
• 为家庭提供地震和火灾预警,保护家人的生命和财产安全。可以安装在客厅、卧室、厨房等重要位置。
2. 学校、医院、商场等公共场所
• 这些场所人员密集,一旦发生地震或火灾,后果不堪设想。安装地震消防预警器可以及时发出警报,引导人们有序疏散。
3. 工厂、仓库等工业场所
• 工业场所通常存放着大量的易燃、易爆物品,火灾风险较高。地震消防预警器可以帮助企业及时发现火灾隐患,采取相应的措施,降低火灾损失。
总之,地震消防预警器是一种非常实用的安全设备,可以为人们提供及时的地震和火灾预警,保护人们的生命和财产安全。
找人才
千校人才小程序
找工作
万企岗位小程序
一键咨询
注册简历
查询
资料下载
返回顶部