微信公众号
手机网站
就业/招聘小程序
咨询电话: 010-66083178(工作日8:30-17:00) 请登录 注册
联系我们
联系人:王秀秀
010 -66083178
www.qxwq.org.cn 
北京市西城区广安门
内广义街5号广益大厦
大赛作品详情

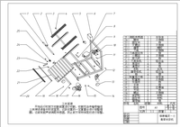
作品名称:绿野精灵——小青菜收获机
学校名称:共青科技职业学院
参赛队伍:very good
参赛学生:肖欣蕊 况威玉 李骏  
指导老师:顾吉仁 陈晶  

详细说明

    小青菜在我国蔬菜生产中所占的比例越来越大,其中收获环节在蔬菜生产中耗时最多,劳动强度最大,且主要依靠人工完成。这款小青菜收获机可以靠静摩擦力传送蔬菜的技术方案,针对小青菜不同的长势和环境,设计前置调节螺杆手轮,后置调节丝杠复合调控,使割台更加贴近地面从而完成对不同高度的收割。使用这款小青菜收获机大幅度的提高了收获小青菜的效率也减少了人工劳作力。

找人才
千校人才小程序
找工作
万企岗位小程序
一键咨询
注册简历
查询
资料下载
返回顶部