微信公众号
手机网站
就业/招聘小程序
咨询电话: 010-66083178(工作日8:30-17:00) 请登录 注册
联系我们
联系人:王秀秀
010 -66083178
www.qxwq.org.cn 
北京市西城区广安门
内广义街5号广益大厦
大赛作品详情

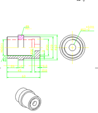
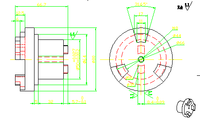
作品名称:倒角机
学校名称:赤峰工业职业技术学院
参赛队伍:赤峰工职院
参赛学生:郝海亮 温树伟 孙贺磊  
指导老师:薛正福  

详细说明

本倒角机主要用于学校焊接车间板材的破口,便于焊接

扫码申请
职业领航师
千校选才官
找人才
千校人才小程序
找工作
万企岗位小程序
一键咨询
注册简历
查询
资料下载
返回顶部