微信公众号
手机网站
就业/招聘小程序
咨询电话: 010-66083178(工作日8:30-17:00) 请登录 注册
联系我们
联系人:王秀秀
010 -66083178
www.qxwq.org.cn 
北京市西城区广安门
内广义街5号广益大厦
大赛作品详情

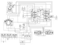
作品名称:基于RC遥控操作的智能液压挖掘机
学校名称:沈阳工程学院
参赛队伍:Ghost
参赛学生:张闯 王睿 韩广  
指导老师:刘东辉  

详细说明

本项目将人工智能、无人驾驶技术应用于传统挖掘机,使其自主工作,节省人力,降低人工操作失误率。设计主要包括四大部分:驱动机构、执行机构、液压系统、智能控制系统设计。拥有六大环境感知功能:压力、距离、速度、湿度、视觉、红外传感等。使挖掘机具备实时感知工况、规划路径、制定挖掘方案的能力完成自主控制。达到两大目标:1.扩展挖掘机应用领域使其能够独自工作于有毒、有害、高温、辐射等恶劣工况;2.有效缓解驾乘人员不足、经验水平不等的现状。

项目创新点:

1、智能地形扫描:工作前将施工位置自动扫描,通过传感器将地形信息输入到计算机,自动生成工作任务;

2、运行方案规划:通过内部算法,设计最优施工方案;

3、合理避险避障:设定程序,输入管线、光缆信息,提前规避,有效避免误伤、误撞状况发生;

 

4、在线诊断、远程控制:故障报警,远程操控修复

扫码申请
职业领航师
千校选才官
找人才
千校人才小程序
找工作
万企岗位小程序
一键咨询
注册简历
查询
资料下载
返回顶部