微信公众号
手机网站
就业/招聘小程序
咨询电话: 010-66083178(工作日8:30-17:00) 请登录 注册
联系我们
联系人:王秀秀
010 -66083178
www.qxwq.org.cn 
北京市西城区广安门
内广义街5号广益大厦
大赛作品详情

作品名称:一种基于势能回收的旅客登机梯
学校名称:山东交通学院
参赛队伍:势能回收旅客登机梯
参赛学生:刘宁 赵雨霖 常明水  
指导老师:李家淦 王明雨  

详细说明

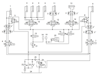
本项目是一种基于能量回收的旅客登机梯液压控制系统及方法,利用推举油缸和起升油缸两大主油缸回收势能,用于驱动支撑、尾梯和平台伸缩,解决了目前登机梯下降过程中释放的大部分重力势能无法利用而白白消耗的问题,减少了经济成本。多余的能量还可储存进蓄能器蓄能,且由电磁换向阀控制,实现了蓄能器能量释放的可控性。本液压系统保留了现有旅客登机梯在与飞机对接时,各个油缸单独工作的流程,改变了旅客登机梯在撤离飞机时无需后退15米之后再回收固定梯和滑动梯的工作流程,既节省了车辆撤离飞机的时间,又提高了经济效益。

扫码申请
职业领航师
千校选才官
找人才
千校人才小程序
找工作
万企岗位小程序
一键咨询
注册简历
查询
资料下载
返回顶部