一、开发背景
随着海洋污染日益严峻,塑料垃圾、漂浮杂物等对海洋生态系统造成严重破坏,为守护海洋环境,解决水域垃圾清理难题,这款海洋垃圾清洁器应运而生。
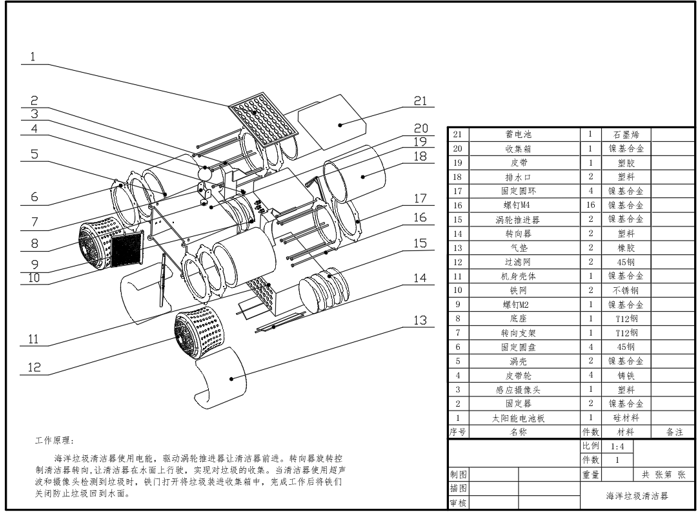
二、结构
- 配备耐水抗腐蚀外壳,保障设备在复杂水域环境中稳定运行。
- 搭载适合水中移动的推进装置,可自主或配合船只在水域灵活移动。
- 设有大容量垃圾收纳舱,用于集中收纳收集到的各类垃圾。
- 配备高效垃圾收集组件,可精准捕捉塑料瓶、塑料袋、渔网碎片等漂浮垃圾。
三、功能
- 高效收集海洋、湖泊等水域中的各类漂浮垃圾,大幅减少水域垃圾存量。
- 助力水域生态环境修复,为水生生物营造更安全的生存空间。
四、使用说明
将设备投放至近岸海域、港口、湖泊、河流入海口等垃圾易堆积水域,启动推进装置,设备即可自主开展垃圾收集工作,垃圾装满收纳舱后,将设备回收,清理收纳舱内
垃圾后可再次投放使用。 五:设计说明 1. 设计目标:聚焦海洋污染治理,以“高效清理+生态保护”为核心,解决水域垃圾难收集、人工清理效率低的问题。
2. 核心结构设计:采用耐水抗腐蚀外壳适配复杂水域,搭配推进装置实现灵活移动,通过“高效收集组件+大容量收纳舱”组合,确保垃圾捕捉与存储效率。
3. 功能设计逻辑:以“自主化操作”为核心,无需持续人工干预,可在近岸、港口等区域自动完成垃圾收集,同步减少对水生环境的二次干扰。
4. 使用设计:遵循“投放-收集-回收-复用”极简流程,降低操作门槛,适配高频次、大面积水域清理场景。 六:产品特色 1. 创新性:以“自主化垃圾收集”为核心,将推进装置与高效收集组件结合,替代传统人工清理,大幅提升水域垃圾清理效率。 2. 可行性:采用耐水抗腐蚀外壳、可复用收纳舱等成熟材质与结构,操作遵循“投放-回收-复用”极简流程,适配近岸、港口等实际场景。 3. 完整性:从垃圾捕捉(收集组件)、存储(收纳舱)到移动(推进装置),覆盖清理全流程,同时兼顾生态保护,减少对水生环境干扰。 4. 规范性:结构设计符合水域设备抗腐蚀、稳定性标准,使用流程清晰可控,满足高频次、大面积水域清理的操作规范。

