大赛作品详情
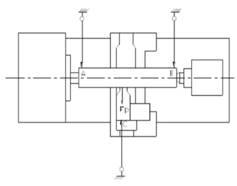
作品名称:机械制造及车床静刚度测试分析
学校名称:南昌交通学院
参赛队伍:车床静刚度测试分析
队伍编号:227032
参赛老师:黄逸兴
投票日期:2025年10月10日 00:00->2025年12月15日 15:00
请在微信端进行投票。点此扫描二维码。

