微信公众号
手机网站
就业/招聘小程序
咨询电话: 010-66083178(工作日8:30-17:00) 请登录 注册
联系我们
联系人:王秀秀
010 -66083178
www.qxwq.org.cn 
北京市西城区广安门
内广义街5号广益大厦
大赛作品详情

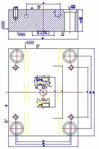
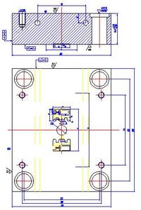
作品名称:SE-HU625Y型盖板塑料模具
学校名称:宜宾职业技术学院
参赛队伍:巧匠队
参赛学生:徐佳林 黄仁杰 罗远萍  
指导老师:刘咸超 曾欣  

详细说明

本次比赛设计课题——SE-HU625Y型盖板三维图如图所示,该塑件结构简单,生产量大,要求较低的模具成本,成型容易,精度要求不高。选择塑料材料为ABS,ABS是由丙烯腈、丁二烯、苯乙烯共聚而成的。丙烯腈使ABS有良好的耐化学腐蚀及表面硬度,丁二烯是ABS坚韧,苯乙烯使它有良好的加工性和染色性能。

本次模具采用单分型面注塑模具,注射模具是由动模和定模两部分组成,定模部分安装在注射机的固定模板上,动模部分安装在注射机的移动模板上。在注射成型过程中,动模随注射机上的合模系统运动,同时动模部分与定模部分由导柱导向而闭合构成浇注系统和型腔,塑料熔体从注射机喷嘴流经模具浇注系统进入型腔。冷却后开模时动模与定模分离,取出塑件。由于上表面要求不能出现任何形式的不光整现象,侧面也要求尽量平整,所以制件注塑成型时,从底部耳边处进料,即浇口开在耳边,同时刚好开在最大分型面处。

该制件为简单的盖类零件,表面粗糙度为0.6,壁厚为2mm,精度MT5。制件内轮廓凹台尺寸为MT3,其余尺寸,为一般精度MT5。因制件形状简单,体积较小,批量不大,故而初定模具生产为一模两腔。一次开模,耗费塑料的总体积,一模内塑料总体积大概为69669.6mm3。注塑机选择XS-Z-125的注射压力机,额定注射量/cm3:125cm3;螺杆(柱塞)直径/mm:42;注射压力/MPa:120。经过校核,该注塑机满足使用要求。

该套模具采用的是一模两腔的型腔平衡分布的模具结构,由于此塑件的形状比较简单,由以上原则设计时选择了塑件外形最大轮廓处。浇口类型选择为点浇口。


扫码申请
职业领航师
千校选才官
找人才
千校人才小程序
找工作
万企岗位小程序
一键咨询
注册简历
查询
资料下载
返回顶部