微信公众号
手机网站
就业/招聘小程序
咨询电话: 010-66083178(工作日8:30-17:30) 请登录 注册
联系我们
联系人:王秀秀
010 -66083178
www.qxwq.org.cn 
北京市西城区广安门
内广义街5号广益大厦
大赛作品详情

作品名称:光电智能垃圾分拣车
学校名称:山东科技大学
参赛队伍:行远智联队
参赛学生:戚晓然 李海阳 徐泽琦  
指导老师:赵鲁华  

详细说明

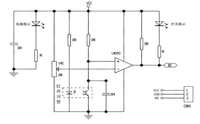
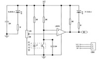
本设计为移动机械臂为主体结构。所谓移动机械臂,就是将机械臂安装在是一个小型多用途移动作业机器人智能移动平台。移动机械臂用来实现一些动作如抓取,放置。可以在机臂的末端执行器上安装一定的工具进行作业,通过移动平台的移动来扩大机械臂的工作空间,进而实现光电智能垃圾分拣车的整体化工作。本产品在机械爪、双电机电推杆、同步带与齿轮配合传动的ROLL轴、传感组件、芯片控制等方面都采用了创新方案,运用了先进技术。在机械臂的设计方案中,我们采用麦克纳姆轮移动三轴技术,传动效率高,适应复杂环境;在传感器的设计方案中,采用的有机高分子传感器为西克集成智能传感器,能快速将热信号转化为可识别的电信号等。

在现代工业中,生产过程中的自动化已成为突出的主题。各行各业的自动化水平越来越高,现代化加工车间,常配有机械手,以提高生产效率,完成工人难以完成的或者危险较高的工作。在一些特定的场合,光电智能垃圾分拣车能发挥比人工更出色的效果,同时降低风险系数。具有智能特性的自主式移动机器人正在向非制造业方向拓展,机器人在运动速度,灵活性,自主性,作业能力等方面要求越来越越高。

在此方案下所设计出具有灵魂便捷,节能环保,工作效率高等多种特点的光电智能垃圾分拣车,该智能小车不仅在垃圾分类处理,而且在机床工件加工、装配作业、危险场合、AGV应用等方面应用都具有良好的应用前景。小型地面可移动机械臂在未来生活中,包括消防、探测等危险作业中的应用将会越来越广。包括在军事领域中的应用将是发展的必然趋势,也是我国国防科技行业重点支持的方向之一。

找人才
千校人才小程序
找工作
万企岗位小程序
一键咨询
注册简历
查询
资料下载
返回顶部