微信公众号
手机网站
就业/招聘小程序
咨询电话: 010-66083178(工作日8:30-17:30) 请登录 注册
联系我们
联系人:王秀秀
010 -66083178
www.qxwq.org.cn 
北京市西城区广安门
内广义街5号广益大厦
大赛作品详情

作品名称:一种基于磁力联轴器的水下救援推进器
学校名称:山东理工大学
参赛队伍:乘风破浪队
参赛学生:韩祥飞 于佳宁 彭博  
指导老师:齐航  

详细说明

项目背景:

  目前传统水下救援存在众多问题, 据不完全统计,国内每年大约有57000人溺水死亡,相当于每天有150多人溺水死亡,且死亡原因80%是由于救援不及时导致的。

近几年来,国内外的水下推进器研发厂对推进器结构设计、螺旋桨设计、安全性能、效率问题等方面做出改进,但是对于水下密封方式仍采用传统的动密封,尽管使用其他密封方式进行辅助,但还是不能保证完全不泄露,传统水下推进器在安全性、灵活性、密封性上有很大改进空间,且性价比不高。可穿戴式水下推进器虽然在性能和安全性上有了一定的提升,但穿戴装置增加救援人员负重;并且装备精密,造价昂贵,设备维护费用高,续航能力较差,不宜用于常规性浅水域救援。

项目简介:

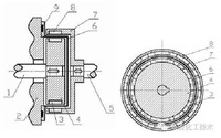
水下推进器已经逐渐成为一个相当重要的研究课题,水下推进器人性化和多功能化的实现将会减少救援时间,降低救援人员的危险指数,提高救援效率。本项目拟实现一种水下救援推进器,其具有集成应急救生系统(氧气应急供应、充气救生球、无线通讯、水下照明、自动悬浮等功能)。采用磁力联轴器作为动力传送装置,将动密封转化为静密封,保证了设备在水下的安全运作。通过有限元三相耦合仿真、响应曲面法与遗传算法并结合实物试验的方法得到适合的磁场大小、间隙大小、截面面积大小等磁力联轴器的结构参数,以获得最大传动效率。磁力联轴器的研发最初是为了解决输送过程中的泄漏问题,最大特点是将轴与机体的动密封转换为隔离套与机体的静密封,从而解决了泄漏问题。本项目的亮点是将水下推进器与磁力联轴器巧妙地结合到一起,实现高密封性不泄露,提高设备可靠性,降低设备维护、制造成本,降低维护难度、技术难度,便于推广使用。另外设备的安全性,灵活性相比之下也得到了提升,且拥有集成应急救援系统和自动悬停的功能,是一款多功能的水下推进器,将对我国的水下救援发展起到了重要的作用。

找人才
千校人才小程序
找工作
万企岗位小程序
一键咨询
注册简历
查询
资料下载
返回顶部