微信公众号
手机网站
就业/招聘小程序
咨询电话: 010-66083178(工作日8:30-17:00) 请登录 注册
联系我们
联系人:王秀秀
010 -66083178
www.qxwq.org.cn 
北京市西城区广安门
内广义街5号广益大厦
大赛作品详情

作品名称:光伏电池供电系统的智能化电源管理系统设计
学校名称:山东理工大学
参赛队伍:好运来
参赛学生:周世纪 郑一凡 黄勋  
指导老师:李平华 庄须叶  

详细说明

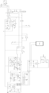
由于目前的各种功能的原件的设计已经日臻完善,这就为优化光伏电池供电系统的研究创造了条件。在供电系统设计中,可能会由于太阳光的强弱造成对电池的充电电压震荡不稳,输出电路出现故障而无法及时及时发现而导致系统无法正常工作,以及由于用电设备打开后长期处于空置的状态而引起不必要的浪费,开关处于空气中产生的电火花而造成危险;未解决以上问题,设计完成了稳压稳流电路,自动切换电路,和发生故障时的报警电路以及自动关闭电路来优化光伏电池供电系统的性能设计。

(1)先对蓄电池的充放电方式供电系统的整体工作方式和各个功能模块的设计做出了陈述,为后面设计各种功能的实现构造框架

(2)对供电系统蓄电池充放电模块的设计做出了详细的阐述,针对蓄电池的充放电电路,和太阳能电池板的稳定充电电路以及蓄电池的稳定输出电路保护电路做出了设计,并完成了仿真。

(3)对蓄电池和太阳能和电池板的输出电路的部分进行了优化设计,使电路实现了过压过流保护,使电路的输送电流不至于过大,以此来保护电路,以及设计电路来根据负载功率的变化,改变其电压或电流大小。

(4)对线路进行设计,使用电设备在空转到一定时间时自动关闭,并对供电系统的开关以及整个系统的防爆进行设计优化。

找人才
千校人才小程序
找工作
万企岗位小程序
一键咨询
注册简历
查询
资料下载
返回顶部