微信公众号
手机网站
就业/招聘小程序
咨询电话: 010-66083178(工作日8:30-17:00) 请登录 注册
联系我们
联系人:王秀秀
010 -66083178
www.qxwq.org.cn 
北京市西城区广安门
内广义街5号广益大厦
大赛作品详情

作品名称:窗中窗智能调节设计
学校名称:集宁师范学院
参赛队伍:仙人掌精灵
参赛学生:赵彦灵 左婉蓁 朱文琪  
指导老师:陈素清 马文婷  

详细说明

窗中窗智能调节设计

摘要

如今城市居民的住所大多为钢筋水泥,铝合金门窗,装修得密不通风,特别是身居闹市区的高层建筑里,开窗怕车辆噪声,加上灰尘太大,往往是终年门窗紧闭。这样势必造成室内通风不良。室内长期处于比较封闭的状态,长时间不通风,空气会比较浑浊,从而比较容易使室内的空气变差,经常通风可以保持室内的空气清新。还可以预防疾病的传播,比如感冒、新型肺炎等疾病的传播,可以在一定程度上保证家人以及自身的安全,对人体健康具有一定好处。冬季或者夏季时,室内温度很容易过冷或者过高,从而形成一种室内环境沉闷的现象,适量进行通风,既可以帮助调节室内的温度,也可以在一定程度上保持人体身心愉悦。

产品简介

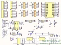
智能窗在国外是一个发达的产业,它在节能减排、消防方面有广泛的应用。根据国家建设部统计资料,我国每年城乡建筑能耗中,通过玻璃门和窗户损失的能耗占到全部建筑能耗的40-50%。由此可见,门窗质量对节能减耗起着极为关键的作用,而智能窗的广泛应用将可大幅节能减排。本次设计以AVR系列单片机为控制单元,通过传感器检测外界信号的变化,采集温度、光照和红外反射的外界参数,进行综合判断分析,然后将变化的信号输入到单片机,由单片机对其进行判断,进而控制电机的正反转,以达到窗中窗智能调节的目的。并且它集消防排烟、防盗、避风挡雨、调节温度、通风采光、自动开关等功能于一体,结束了传统窗户单一功能的历史,并让它成为智能建筑家居的管理者,将现代城市和家居带入了一个崭新的智能窗户时代。
1)主要工作:
1)由单片机采集外界参数控制窗户状态。2)采用数码管显示温度值,使读数更清晰、易于为用户接。
3)能手动控制窗户的状态。
4)能预设窗户开关的温度值。
5)具有防盗功能。
2)主要技术指标
1)窗户有开和关两个状态。
2)温度显示范围 0°C~55°C。
3)手动设置温度的范围 3°C~49°。
4)红外有效的检测距离为<30CM。
5)电机有正反转和停止三个状态。

首先,MAG16 单片机对红外信号进行判断,若有信号则 MAG16 单片机控制电机正转,并且驱动蜂鸣器,窗户关闭,起到防盗的作用;若无红外信号,MAG16 单片机在对温度信号进行判断,当外界温度高于与设置时(此时数码管显示温度为30.0°C),窗户开启(若此时已为开启状态,则保持原状态),当温度低于预设值时(此时数码管显示20.0°C),窗户关闭(若此时窗户已为关闭状态,则保持原状态),当温度介于20.0°C~30.0°C之间时,窗户保持原状态。在窗户开启或关闭的过程中通过限位开关给MAG16 单片机限位信号,使电机停止转动,防止堵转情况发生。也可以通过手动按钮来控制窗户的开启或关闭,在手动过程中窗户的运动不受传感器信号的影响。利用单片机的智能性,可方便的实现具有智能的数据采集和处理。在采用单片机为实现形式时,有很多种单片机可以实现数据采集、数据处理功能。

找人才
千校人才小程序
找工作
万企岗位小程序
一键咨询
注册简历
查询
资料下载
返回顶部