微信公众号
手机网站
就业/招聘小程序
咨询电话: 010-66083178(工作日8:30-17:00) 请登录 注册
联系我们
联系人:王秀秀
010 -66083178
www.qxwq.org.cn 
北京市西城区广安门
内广义街5号广益大厦
大赛作品详情

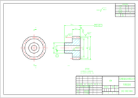
作品名称:月球土壤钻取封装装置创新设计
学校名称:天津职业技术师范大学
参赛队伍:天职师大一八队
参赛学生:刘志婷 甄子莹 徐敬  
指导老师:李国和  

详细说明

基于对嫦娥五号月球探测器的研究,对其中的钻取封装过程进行创新设计,利用所学知识及solidworks软件建立月球土壤钻取装置的三维仿真模型,设计出合理机构方案,对其进行动力学仿真分析,清楚钻取装置各零部件之间是如何相互工作的。
   提出一种月球土壤钻取封装装置的创新设计,系统实现原理与结构方案,确定传动系统、执行系统方案,完成机械系统总体方案设计。提出由支撑架和独立驱动的钻进机构、钻进加载机构、样品封装机四部分组成的月球土壤钻取封装装置的创新设计方案。该方案可以实现月表下深度20cm,直径为42mm的月壤样品钻取取样。每次封装100cm3,每5分钟完成一次工作循环,钻取深度20cm,封装器可拆卸,外径不大于5cm,工作电压24V,最大功率不大于100w。
   目前国内关于月球土壤钻取机构的分析与优化设计研究较少见报道,并没有考虑该机构在其他运动特性方面的设计约束。在分析月球探测器钻取及封装等任务要求的基础上,提出对钻取封装机构再设计及优化设计,并以此完成机构的多目标优化,实现月球土壤钻取封装。

找人才
千校人才小程序
找工作
万企岗位小程序
一键咨询
注册简历
查询
资料下载
返回顶部