微信公众号
手机网站
就业/招聘小程序
咨询电话: 010-66083178(工作日8:30-17:30) 请登录 注册
联系我们
联系人:王秀秀
010 -66083178
www.qxwq.org.cn 
北京市西城区广安门
内广义街5号广益大厦
大赛作品详情

作品名称:创新型硬币分类存储装置设计
学校名称:苏州城市学院
参赛队伍:三个臭皮匠
参赛学生:龙科锦 霍志忠 冯浩栋  
指导老师:雷鸣  

详细说明

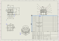
本作品根据本届大赛主旨要求所设计,属于“功能实用型机械”。该装置主体为不锈钢框架结构,长220mm,宽220mm,高215mm。不同大小的硬币,放进进第一个孔里。下面的转台转动,先小孔再大孔经过。然后掉进不同大小的孔里,实现分离。本说明书主要分三个部分对创新型硬币分类存储装置进行介绍。第一部分为设计灵感;第二部分为设计方案;第三部分为创新点。

一.设计灵感

硬币是我们日常生活中经常会用到的东西,它从很早时候的铜钱演变过来,一直到今天的一角,五角,一元的硬币。但是,硬币并不像纸币那么容易整理,也不方便携带。所以,一大堆的硬币混在一起并不容易将其分类开来。对于一些小卖部、超市来说,经常会存到一大堆的硬币,这些硬币混杂在一些,如果这些硬币手工清点分类起来费时又费力,而且,有些人也会收集硬币,但是如果要把这些硬币分类,就会是一件工程量非常大的工程。那么,我们就会想,有没有一个东西,能够很简单的就能把硬币分类?为了解决这个问题,硬币分类机出现了。它改变了手工分离硬币的现象,为超市节省了不少时间。同样,硬币分类也有很多的种类,但是,创新型硬币分类存储装置是最简单且最基本的一类。而且,这种硬币分类储存装置,结构简单,体型小,成本低,价格低廉。

二.设计方案工作原理

  本产品大体上由分离器底板、分离器中间板、分离器上板、硬币收集槽(分离器底座)、以及固定硬币分离器的固定板这五部分组成。首先,将需要分离的硬币倒入分离器上板的收集槽中。然后,打开开关,同时带动分离器中间板和分离器上板内的叶片旋转,叶片推动分离器内的硬币,使其落入上板的圆形孔槽内,当中间板的弧形孔槽旋转到与上板的圆形孔槽重合时,上板孔槽内的硬币落入中间板的弧形孔槽内,随中间板一起旋转,由于离心力作用,弧形孔槽内的硬币会紧贴着孔槽的外侧面旋转。最后,当硬币旋转至分离器下板的弧形孔的上方时,由于不同面值硬币的半径不同,因此,不同半径的硬币会落入与其半径相对应的弧形孔中,(需要注意的是:所有类型的硬币都会先经过一角的弧形孔,然后是五角的,最后是一元的)相同半径的硬币会落入同一个收集槽中,从而达到分离硬币的目的。
找人才
千校人才小程序
找工作
万企岗位小程序
一键咨询
注册简历
查询
资料下载
返回顶部