微信公众号
手机网站
就业/招聘小程序
咨询电话: 010-66083178(工作日8:30-17:00) 请登录 注册
联系我们
联系人:王秀秀
010 -66083178
www.qxwq.org.cn 
北京市西城区广安门
内广义街5号广益大厦
大赛作品详情

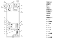
作品名称:新型输液装置
学校名称:齐齐哈尔工程学院
参赛队伍:龙凤之资
参赛学生:王进鹏 梁玉龙 赖云煜  
指导老师:高鹏 刘洪民  

详细说明
设计该项目的初衷为使用智能化产品来提高病区护士的工作效率、减小人工失误和医疗纠纷成为今后护理信息化发展的重要任务。智能输液监测系统主要是由药液检测模块、红外线接收发射装置、压强传输模块等构成。可自动判断药液剩余计量,预估剩余时间,判别堵针、漏液、空瓶、液停等情况。
其结构紧凑、安装方便、体积小、所需空间小、反应灵敏、制动可靠及多功能。同时因负荷现阶段和今后国家的政策及对安全的需求,该技术的应用前景广阔,有望成为工业领域安全保护的重要手段。
新型输液报警器相比于原来的输液装置报警器增加了更多的实用功能:预计输液所需时间给你、血液回流报警给你、输液完毕及时报警功能,对于药业即使加热功能等。
找人才
千校人才小程序
找工作
万企岗位小程序
一键咨询
注册简历
查询
资料下载
返回顶部